Zur Startseite gehen
Home
Produkte
Aktionen
PREBENA WELT
Zur Kategorie Produkte
Druckluftgeräte
Druckluftnagler
für Heftklammern
für Nägel
für Pins
für Brads
PKT-Technologie
Verpackungsindustrie
Druckluftindustrienagler
Akkugeräte
Akku Eintreibgeräte
Akku-Hybrid Nagler
Akku Kompressoren
Akku Zubehör
Akku Magazinschrauber
Akku Beton-Nagler
Handheftgeräte
Befestigungsmittel
Heftklammern
Type A
Type AZ
Type B
Type D
Type E
Type ES
Type FB
Type G
Type GB
Type H
Type L
Type NT
Type O
Type PF
Type Q
Type R
Type TK
Type V
Type VS
Type VX
Type VZ
Type WD
Type WP
Type WS
Type WZ
Type XA
Type Z
Type ZK
Nägel
Type ANK
Type CNH
Type CNF
Type CNS
Type CNW
Type CNZ
Type CSS
Type PR
Type RHC
Type RK
Type RKP
Type T
Type WN
Brads
Type DA
Type J
Type JA
Type N
Pins
Type AL
Type ALK
Type GA
Schrauben
Schnellbauschrauben
Faserplattenschrauben
Spanplattenschrauben
Kompressoren
Mobile Kompressoren
Stationäre Kompressoren
Zubehör
Druckluft-Rohrleitungssystem
PKT-Kartuschen Zubehör
Druckluftaufbereitung
Schläuche
Ausblaspistolen und Reifenfüller
Öle
Wartungsteile
Adapter und Verbinder
weiteres Zubehör
Gebrauchtgeräte
Gebrauchte Druckluftgeräte
Gebrauchte Kompressoren
Ersatzteile
Kompressoren
AEROTAINER 245
MOUNTAINE 650
ORKAN 260
ORKAN 650
PIONEER 260
PIONEER 345
TWINMAX 410
TWINMAX 510
TWINSTAR 425-11
TWINSTAR 460
TWINSTAR 550
TWINSTAR 620-11
TWINSTAR 650
TWINSTAR 850-11
TWINSTAR 900
VIGON 120
VIGON 240
VIGON 300
VITAS 45
WARRIOR 255
WARRIOR 435
WARRIOR 460
Druckluftnagler
1A-AZ16BNH
1A-AZ25BNH
1GP-A16
1GP-A16SDS
1GP-A25
1GP-A16LN50
1GP-A16NH
1GP-D16
1GP-ALK35
1GP-TK16
1GP-V16
1GP-XA16
1M-O25SDS-S10
1X-A16AUT
1X-A16LM-AUT
1XR-A16
2F-JA45
2M-GA32SDS
2P-ES40SDS
2P-H30SD
2P-J/ES40COMBI
2P-J50SDS
2P-J50SVN
2P-J50STVN
2XR-ES40
2XR-J50
3C-N65-S
3GP-CNH50
3GP-E40
3GP-H40
3GP-L40
3GP-N65
3GP-Z40
3X-CNW50
4C-L50
4C-L50AUT
4C-WS38
4C-WS50
4C-WZ38BNH
4C-Z50
4C-Z50AUT
4S-DA63
4X-CNZ45
5C-Q67
5C-WN15SNS
5C-Z75
5F-CNF57
5S-CNWS65
5S-T65
6F-CNW70
6F-WN25SNS
6X-PR90
7F-CNW90
7XR-RK90
8F-RK100
8XR-CNW90
9F-CNW100EPAL
9X-WP130
9X-WP160
10X-RK130
10X-RK160
PKT-2-ES40-S
PKT-2-J50SD-S
PKT-7-RK90-S
ST2-ANK50
ST2-ANK60
KTVH-B19D
KTVH-B19H
KTVH-B22D
KTVH-R19D
KTVH-R19H
sonstige
Zur Kategorie PREBENA WELT
Artikelerklärungen
Service
PREBENA Service System
Druckluftnagler
Kartuschentausch
Reklamation
Merchandising
Über uns
PREBENA Partner
Optiwear Technology
06044 / 9601999
Merkzettel
Ihr Konto
Anmelden
oder registrieren
Übersicht Persönliches Profil Adressen Zahlungsarten Bestellungen Angebote Abonnements
Warenkorb
Zeige alle Kategorien VIGON 300 Zurück
  • VIGON 300 anzeigen
  1. Produkte
  2. Ersatzteile
  3. Kompressoren
  4. VIGON 300
  • Produkte
    • Druckluftgeräte
    • Akkugeräte
    • Handheftgeräte
    • Befestigungsmittel
    • Kompressoren
    • Zubehör
    • Gebrauchtgeräte
    • Ersatzteile
      • Kompressoren
        • AEROTAINER 245
        • MOUNTAINE 650
        • ORKAN 260
        • ORKAN 650
        • PIONEER 260
        • PIONEER 345
        • TWINMAX 410
        • TWINMAX 510
        • TWINSTAR 425-11
        • TWINSTAR 460
        • TWINSTAR 550
        • TWINSTAR 620-11
        • TWINSTAR 650
        • TWINSTAR 850-11
        • TWINSTAR 900
        • VIGON 120
        • VIGON 240
        • VIGON 300
        • VITAS 45
        • WARRIOR 255
        • WARRIOR 435
        • WARRIOR 460
      • Druckluftnagler
      • sonstige
  • Aktionen
  • PREBENA WELT

VIGON 300

 

Vigon-300-1atgarlMI5A7zBVigon-300-2

 

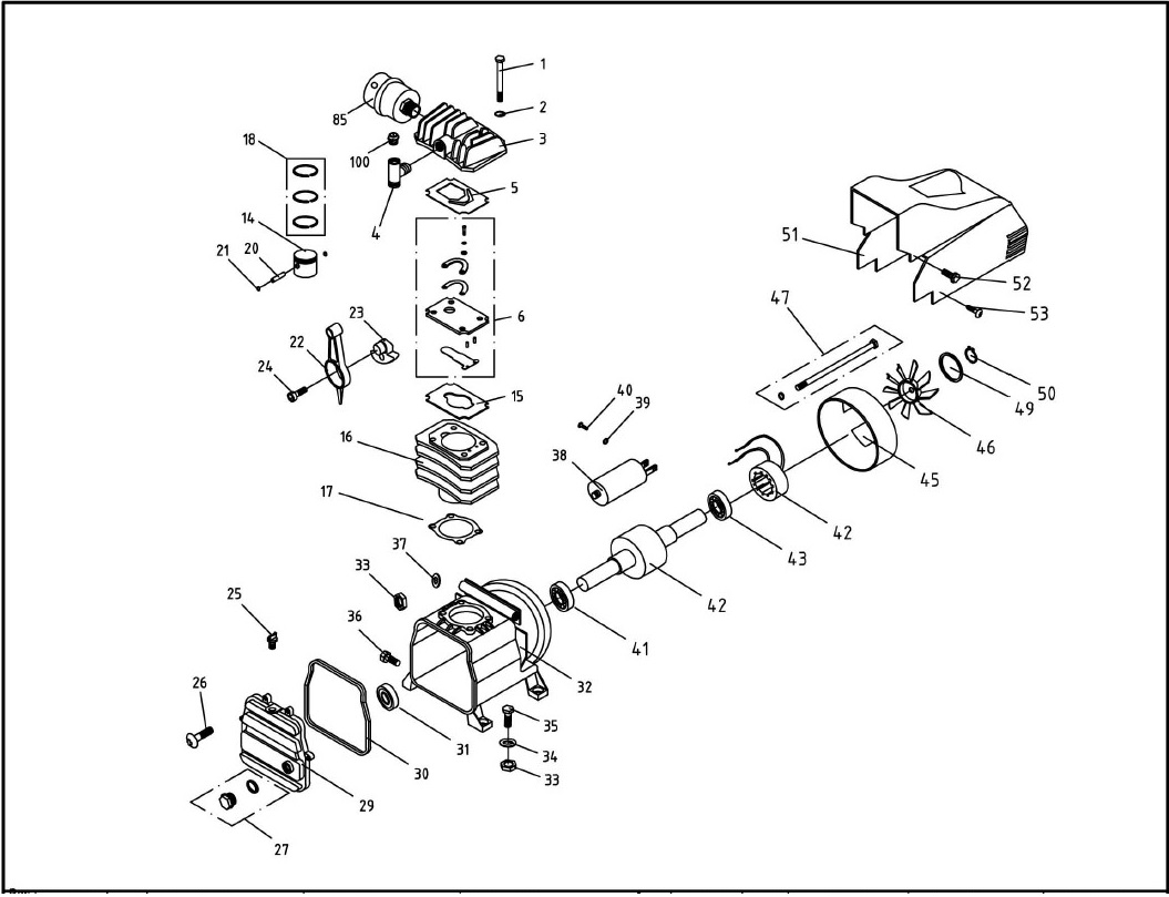
PositionNummerBeschreibungMengeLink
 1 ET03200101 Schraube 4 zum Ersatzteil
2 ET03200201 Federring 4 zum Ersatzteil
3 ET03200301 Zylinderkopf 1 zum Ersatzteil
4 ET03200401 Anschlußstück 1 zum Ersatzteil
5 ET03200501 Kopfdichtung 1 zum Ersatzteil
6 ET03200601 Ventilplatte komplett 1 zum Ersatzteil
14 ET03201401 Kolben 1 zum Ersatzteil
15 ET03201501 Zylinderdichtung 1 zum Ersatzteil
16 ET03201601 Zylinder
(Es wird empfohlen die Positionen 15 & 17 mitzubestellen!)
1 zum Ersatzteil
17 ET03201701 Gehäusedichtung 1 zum Ersatzteil
18 ET03201801 Kolbenring 1 zum Ersatzteil
20 ET03202001 Kolbenbolzen 1 zum Ersatzteil
21 ET03202101 Sicherungsring 2 zum Ersatzteil
22 ET03202201 Triebstange 1 zum Ersatzteil
23 ET03202301 Kurbelwelle 1 zum Ersatzteil
24 ET03202401 Schraube 1 zum Ersatzteil
25 ET03202501 Ölstopfen 1 zum Ersatzteil
26 ET03202601 Schraube 8 zum Ersatzteil
27 ET03202701 Ölschauglas 1 zum Ersatzteil
28 ET03202801 Dichtung Ölschauglas 1 zum Ersatzteil
29 ET03202901 Gehäusedeckel 1 zum Ersatzteil
30 ET03203001 Deckeldichtung 1 zum Ersatzteil
31 ET03203101 Wellendichtring 1 zum Ersatzteil
32 ET03203201 Gehäuse 1 zum Ersatzteil
33 ET03007001 Mutter 5 zum Ersatzteil
34 ET03203401 Scheibe 4 zum Ersatzteil
35 ET03203501 Schraube 4 zum Ersatzteil
36 ET03203601 Ölablassschraube 1 zum Ersatzteil
37 ET03203701 Federring 1 zum Ersatzteil
39 ET03203901 Federring 2 zum Ersatzteil
40 ET03204001 Schraube 2 zum Ersatzteil
41 ET03204101 Kugellager 1 zum Ersatzteil
42 ET03204201 Anker-Rotor 1 zum Ersatzteil
43 ET03204301 Kugellager 1 zum Ersatzteil
45 ET03204501 Schutzkappe Ventilator 1 zum Ersatzteil
46 ET03204601 Lüfterrad 1 zum Ersatzteil
47 ET03204701 Schraube 4 zum Ersatzteil
48 ET03204801 Federring 4 zum Ersatzteil
49 ET03204901 Federring 1 zum Ersatzteil
50 ET03205001 Sicherungsring 1 zum Ersatzteil
51 ET03205101 Verkleidung 1 zum Ersatzteil
52 ET14013044 Schraube 4 zum Ersatzteil
53 ET03205301 Schraube 2 zum Ersatzteil
55 ET03104301 Manometer 1 zum Ersatzteil
57 ET03103801 Druckminderer 1 zum Ersatzteil
58 ET03005501 Gewindenippel 1 zum Ersatzteil
59 ET03205901 Druckschalter 1 zum Ersatzteil
60 ET03206001 Zwischenstück 1 zum Ersatzteil
61 ET03206101 Mutter 1 zum Ersatzteil
62 ET03206201 Dichtscheibe 1 zum Ersatzteil
63 ET330004000 Manometer 1 zum Ersatzteil
66 ET03206601 Entlüftungsschlauch 1 zum Ersatzteil
68 ET03206801 Ring Gabelschuh 1 zum Ersatzteil
70 ET03207001 Griff 1 zum Ersatzteil
74 ET03006901 Scheibe 4 zum Ersatzteil
76 ET03207601 Schraube 2 zum Ersatzteil
77 ET03207701 Entwässerungshahn 1 zum Ersatzteil
78 ET03207801 Mutter 1 zum Ersatzteil
79 ET03207901 Federring 4 zum Ersatzteil
80 ET03208001 Rad 2 zum Ersatzteil
81 ET03208101 Achse 2 zum Ersatzteil
82 ET03208201 Luftleitung 1 zum Ersatzteil
84 ET03208401 Dichtring 2 zum Ersatzteil
85 ET03102701 Luftfilter  1 zum Ersatzteil
Service-Hotline
prebena-logo
phone +49 6044 / 9601999
mail [email protected]
clock Mo - Do: 09:00 - 15:00 Uhr,
Fr: 09:00 - 12:00 Uhr
Partner
Service Shop
  • Zahlungsmethoden
  • Bonuspunkte
  • Versandinformationen
  • Rücksendeformular
  • Lob & Kritik
  • Kontaktformular
Informationen
  • Newsletter
  • Gebrauchtgerätewecker
  • Prebena.de
  • Barrierefreiheitserklärung
  • Widerrufsrecht
  • Datenschutzerklärung
  • AGB
  • Impressum
Zahlungsarten
PayPal IDEAL Kreditkarte Apple Pay Klarna - sofort oder später Rechnung
Versandarten

* Alle Preise inkl. gesetzl. Mehrwertsteuer zzgl. Versandkosten und ggf. Nachnahmegebühren, wenn nicht anders angegeben. *BLACK WEEK Ausgeschlossen sind die Produkte aus den Kategorien: "Aktionen", "Prebena Welt", "PKT" und "Gebrauchtgeräte". Diese Aktion ist nur von Montag 24.11.2025 00:00 Uhr bis Montag 01.12.2025 23:59 Uhr gültig. Sollten Sie hierzu Fragen oder Probleme haben, steht Ihnen unser Support-Team jederzeit gerne zur Verfügung.

Copyright © PREBENA Vertriebs GmbH
YouTube Instagram Facebook Folge uns doch!
Diese Website verwendet Cookies, um eine bestmögliche Erfahrung bieten zu können. Mehr Informationen ...
Anfrage erfolgreich abgeschickt
Anfrage konnte nicht abgeschickt werden da ein Problem aufgetreten ist. Bitte versuchen Sie es erneut.