Zur Startseite gehen
Home
Produkte
Aktionen
PREBENA WELT
Zur Kategorie Produkte
Druckluftgeräte
Druckluftnagler
für Heftklammern
für Nägel
für Pins
für Brads
PKT-Technologie
Verpackungsindustrie
Druckluftindustrienagler
Akkugeräte
Akku Eintreibgeräte
Akku-Hybrid Nagler
Akku Kompressoren
Akku Zubehör
Akku Magazinschrauber
Akku Beton-Nagler
Handheftgeräte
Befestigungsmittel
Heftklammern
Type A
Type AZ
Type B
Type D
Type E
Type ES
Type FB
Type G
Type GB
Type H
Type L
Type NT
Type O
Type PF
Type Q
Type R
Type TK
Type V
Type VS
Type VX
Type VZ
Type WD
Type WP
Type WS
Type WZ
Type XA
Type Z
Type ZK
Nägel
Type ANK
Type CNH
Type CNF
Type CNS
Type CNW
Type CNZ
Type CSS
Type PR
Type RHC
Type RK
Type RKP
Type T
Type WN
Brads
Type DA
Type J
Type JA
Type N
Pins
Type AL
Type ALK
Type GA
Schrauben
Schnellbauschrauben
Faserplattenschrauben
Spanplattenschrauben
Kompressoren
Mobile Kompressoren
Stationäre Kompressoren
Zubehör
Druckluft-Rohrleitungssystem
PKT-Kartuschen Zubehör
Druckluftaufbereitung
Schläuche
Ausblaspistolen und Reifenfüller
Öle
Wartungsteile
Adapter und Verbinder
weiteres Zubehör
Gebrauchtgeräte
Gebrauchte Druckluftgeräte
Gebrauchte Kompressoren
Ersatzteile
Kompressoren
AEROTAINER 245
MOUNTAINE 650
ORKAN 260
ORKAN 650
PIONEER 260
PIONEER 345
TWINMAX 410
TWINMAX 510
TWINSTAR 425-11
TWINSTAR 460
TWINSTAR 550
TWINSTAR 620-11
TWINSTAR 650
TWINSTAR 850-11
TWINSTAR 900
VIGON 120
VIGON 240
VIGON 300
VITAS 45
WARRIOR 255
WARRIOR 435
WARRIOR 460
Druckluftnagler
1A-AZ16BNH
1A-AZ25BNH
1GP-A16
1GP-A16SDS
1GP-A25
1GP-A16LN50
1GP-A16NH
1GP-D16
1GP-ALK35
1GP-TK16
1GP-V16
1GP-XA16
1M-O25SDS-S10
1X-A16AUT
1X-A16LM-AUT
1XR-A16
2F-JA45
2M-GA32SDS
2P-ES40SDS
2P-H30SD
2P-J/ES40COMBI
2P-J50SDS
2P-J50SVN
2P-J50STVN
2XR-ES40
2XR-J50
3C-N65-S
3GP-CNH50
3GP-E40
3GP-H40
3GP-L40
3GP-N65
3GP-Z40
3X-CNW50
4C-L50
4C-L50AUT
4C-WS38
4C-WS50
4C-WZ38BNH
4C-Z50
4C-Z50AUT
4S-DA63
4X-CNZ45
5C-Q67
5C-WN15SNS
5C-Z75
5F-CNF57
5S-CNWS65
5S-T65
6F-CNW70
6F-WN25SNS
6X-PR90
7F-CNW90
7XR-RK90
8F-RK100
8XR-CNW90
9F-CNW100EPAL
9X-WP130
9X-WP160
10X-RK130
10X-RK160
PKT-2-ES40-S
PKT-2-J50SD-S
PKT-7-RK90-S
ST2-ANK50
ST2-ANK60
KTVH-B19D
KTVH-B19H
KTVH-B22D
KTVH-R19D
KTVH-R19H
sonstige
Zur Kategorie PREBENA WELT
Artikelerklärungen
Service
PREBENA Service System
Druckluftnagler
Kartuschentausch
Reklamation
Merchandising
Über uns
PREBENA Partner
Optiwear Technology
06044 / 9601999
Merkzettel
Ihr Konto
Anmelden
oder registrieren
Übersicht Persönliches Profil Adressen Zahlungsarten Bestellungen Angebote Abonnements
Warenkorb
Zeige alle Kategorien ORKAN 260 Zurück
  • ORKAN 260 anzeigen
  1. Produkte
  2. Ersatzteile
  3. Kompressoren
  4. ORKAN 260
  • Produkte
    • Druckluftgeräte
    • Akkugeräte
    • Handheftgeräte
    • Befestigungsmittel
    • Kompressoren
    • Zubehör
    • Gebrauchtgeräte
    • Ersatzteile
      • Kompressoren
        • AEROTAINER 245
        • MOUNTAINE 650
        • ORKAN 260
        • ORKAN 650
        • PIONEER 260
        • PIONEER 345
        • TWINMAX 410
        • TWINMAX 510
        • TWINSTAR 425-11
        • TWINSTAR 460
        • TWINSTAR 550
        • TWINSTAR 620-11
        • TWINSTAR 650
        • TWINSTAR 850-11
        • TWINSTAR 900
        • VIGON 120
        • VIGON 240
        • VIGON 300
        • VITAS 45
        • WARRIOR 255
        • WARRIOR 435
        • WARRIOR 460
      • Druckluftnagler
      • sonstige
  • Aktionen
  • PREBENA WELT

ORKAN 260

 

Orkan-260-1Orkan-260-2

 

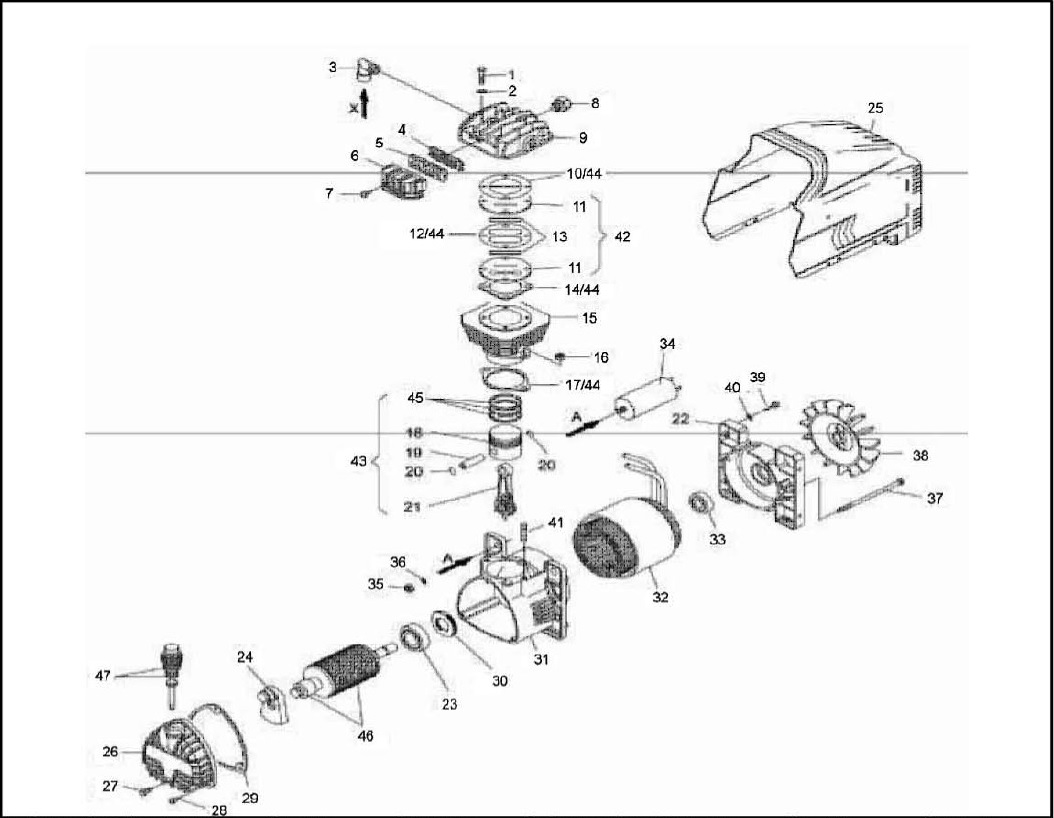
PositionNummerBeschreibungMengeLink
 2 ET99100401 Scheibe 4 zum Ersatzteil
4 ET01002101 Platte 1 zum Ersatzteil
5 ET01002201 Filterelement 1 zum Ersatzteil
6 ET01002301 Ansaugfilter 1 zum Ersatzteil
9 ET01002501 Zylinderkopf 1 zum Ersatzteil
10 ET01002601 Dichtung 1 zum Ersatzteil
13 ET01002901 Ventil-Lamellen 2 zum Ersatzteil
15 ET01003101 Zylinder 1 zum Ersatzteil
16 ET99200601 Mutter 2 zum Ersatzteil
22 ET01003701 Abdeckung 1 zum Ersatzteil
25 ET01004001 Kunststoffhaube 1 zum Ersatzteil
26 ET01004101 Gehäusedeckel 1 zum Ersatzteil
28 ET99303902 Zylinderschraube 3 zum Ersatzteil
29 ET01004201 Gehäusedeckeldichtung 1 zum Ersatzteil
30 ET01004301 Wellendichtung 1 zum Ersatzteil
34 ET01004701 Kondensator 1 zum Ersatzteil
35 ET99100501 Scheibe 1 zum Ersatzteil
36 ET99100501 Scheibe 1 zum Ersatzteil
38 ET01004901 Lüfter 1 zum Ersatzteil
40 ET99100201 Scheibe 1 zum Ersatzteil
42 ET01005001 Ventilplatten-Set 1 zum Ersatzteil
44 ET01005201 Dichtungssatz 1 zum Ersatzteil
45 ET01005301 Kolbenringe-Set 1 zum Ersatzteil
47

ET65101901

Ölmessstab  1 zum Ersatzteil
55 ET01000101 Kolbenblock 1 zum Ersatzteil
56 ET01000201 Luftleitung 1 zum Ersatzteil
57 ET01000301 Rückschlagventil 1 zum Ersatzteil
58 ET01000401 Drucktank 1 zum Ersatzteil
60 ET01000501 Adapter 1 zum Ersatzteil
61 ET67101601 Hahn 1 zum Ersatzteil
62 ET322045000 Kupplung 1 zum Ersatzteil
63 ET65000601 Filter 1 zum Ersatzteil
64 ET01000801 Adapter 1 zum Ersatzteil
65 ET01000901 Druckschalter 1 zum Ersatzteil
66 ET01001001 Manometer 1 zum Ersatzteil
67 ET01001101 Adapter 1 zum Ersatzteil
68 ET67101201 Sicherheitsventil 1 zum Ersatzteil
69 ET01001201 Griff 1 zum Ersatzteil
70 ET01001301 Elektr. Leitung 1 zum Ersatzteil
71 ET99100402 Federring 1 zum Ersatzteil
72 ET99200501 Sechskantmutter 1 zum Ersatzteil
73 ET99100401 Scheibe 1 zum Ersatzteil
74 ET01001401 Rohr Rilsan 1 zum Ersatzteil
75 ET01001501 Bolzen 2 zum Ersatzteil
76 ET01001601 Rad 2 zum Ersatzteil
77 ET01001701 Dämpfer 2 zum Ersatzteil
81 ET01001801 Adapter 1 zum Ersatzteil
Service-Hotline
prebena-logo
phone +49 6044 / 9601999
mail [email protected]
clock Mo - Do: 09:00 - 15:00 Uhr,
Fr: 09:00 - 12:00 Uhr
Partner
Service Shop
  • Zahlungsmethoden
  • Bonuspunkte
  • Versandinformationen
  • Rücksendeformular
  • Lob & Kritik
  • Kontaktformular
Informationen
  • Newsletter
  • Gebrauchtgerätewecker
  • Prebena.de
  • Barrierefreiheitserklärung
  • Widerrufsrecht
  • Datenschutzerklärung
  • AGB
  • Impressum
Zahlungsarten
PayPal IDEAL Kreditkarte Apple Pay Klarna - sofort oder später Rechnung
Versandarten

* Alle Preise inkl. gesetzl. Mehrwertsteuer zzgl. Versandkosten und ggf. Nachnahmegebühren, wenn nicht anders angegeben. *BLACK WEEK Ausgeschlossen sind die Produkte aus den Kategorien: "Aktionen", "Prebena Welt", "PKT" und "Gebrauchtgeräte". Diese Aktion ist nur von Montag 24.11.2025 00:00 Uhr bis Montag 01.12.2025 23:59 Uhr gültig. Sollten Sie hierzu Fragen oder Probleme haben, steht Ihnen unser Support-Team jederzeit gerne zur Verfügung.

Copyright © PREBENA Vertriebs GmbH
YouTube Instagram Facebook Folge uns doch!
Diese Website verwendet Cookies, um eine bestmögliche Erfahrung bieten zu können. Mehr Informationen ...
Anfrage erfolgreich abgeschickt
Anfrage konnte nicht abgeschickt werden da ein Problem aufgetreten ist. Bitte versuchen Sie es erneut.