Zur Startseite gehen
Home
Produkte
Aktionen
PREBENA WELT
Zur Kategorie Produkte
Druckluftgeräte
Druckluftnagler
für Heftklammern
für Nägel
für Pins
für Brads
PKT-Technologie
Verpackungsindustrie
Druckluftindustrienagler
Akkugeräte
Akku Eintreibgeräte
Akku-Hybrid Nagler
Akku Kompressoren
Akku Zubehör
Akku Magazinschrauber
Akku Beton-Nagler
Handheftgeräte
Befestigungsmittel
Heftklammern
Type A
Type AZ
Type B
Type D
Type E
Type ES
Type FB
Type G
Type GB
Type H
Type L
Type NT
Type O
Type PF
Type Q
Type R
Type TK
Type V
Type VS
Type VX
Type VZ
Type WD
Type WP
Type WS
Type WZ
Type XA
Type Z
Type ZK
Nägel
Type ANK
Type CNH
Type CNF
Type CNS
Type CNW
Type CNZ
Type CSS
Type PR
Type RHC
Type RK
Type RKP
Type T
Type WN
Brads
Type DA
Type J
Type JA
Type N
Pins
Type AL
Type ALK
Type GA
Schrauben
Schnellbauschrauben
Faserplattenschrauben
Spanplattenschrauben
Kompressoren
Mobile Kompressoren
Stationäre Kompressoren
Zubehör
Druckluft-Rohrleitungssystem
PKT-Kartuschen Zubehör
Druckluftaufbereitung
Schläuche
Ausblaspistolen und Reifenfüller
Öle
Wartungsteile
Adapter und Verbinder
weiteres Zubehör
Gebrauchtgeräte
Gebrauchte Druckluftgeräte
Gebrauchte Kompressoren
Ersatzteile
Kompressoren
AEROTAINER 245
MOUNTAINE 650
ORKAN 260
ORKAN 650
PIONEER 260
PIONEER 345
TWINMAX 410
TWINMAX 510
TWINSTAR 425-11
TWINSTAR 460
TWINSTAR 550
TWINSTAR 620-11
TWINSTAR 650
TWINSTAR 850-11
TWINSTAR 900
VIGON 120
VIGON 240
VIGON 300
VITAS 45
WARRIOR 255
WARRIOR 435
WARRIOR 460
Druckluftnagler
1A-AZ16BNH
1A-AZ25BNH
1GP-A16
1GP-A16SDS
1GP-A25
1GP-A16LN50
1GP-A16NH
1GP-D16
1GP-ALK35
1GP-TK16
1GP-V16
1GP-XA16
1M-O25SDS-S10
1X-A16AUT
1X-A16LM-AUT
1XR-A16
2F-JA45
2M-GA32SDS
2P-ES40SDS
2P-H30SD
2P-J/ES40COMBI
2P-J50SDS
2P-J50SVN
2P-J50STVN
2XR-ES40
2XR-J50
3C-N65-S
3GP-CNH50
3GP-E40
3GP-H40
3GP-L40
3GP-N65
3GP-Z40
3X-CNW50
4C-L50
4C-L50AUT
4C-WS38
4C-WS50
4C-WZ38BNH
4C-Z50
4C-Z50AUT
4S-DA63
4X-CNZ45
5C-Q67
5C-WN15SNS
5C-Z75
5F-CNF57
5S-CNWS65
5S-T65
6F-CNW70
6F-WN25SNS
6X-PR90
7F-CNW90
7XR-RK90
8F-RK100
8XR-CNW90
9F-CNW100EPAL
9X-WP130
9X-WP160
10X-RK130
10X-RK160
PKT-2-ES40-S
PKT-2-J50SD-S
PKT-7-RK90-S
ST2-ANK50
ST2-ANK60
KTVH-B19D
KTVH-B19H
KTVH-B22D
KTVH-R19D
KTVH-R19H
sonstige
Zur Kategorie PREBENA WELT
Artikelerklärungen
Service
PREBENA Service System
Druckluftnagler
Kartuschentausch
Reklamation
Merchandising
Über uns
PREBENA Partner
Optiwear Technology
06044 / 9601999
Merkzettel
Ihr Konto
Anmelden
oder registrieren
Übersicht Persönliches Profil Adressen Zahlungsarten Bestellungen Angebote Abonnements
Warenkorb
Zeige alle Kategorien TWINSTAR 460 Zurück
  • TWINSTAR 460 anzeigen
  1. Produkte
  2. Ersatzteile
  3. Kompressoren
  4. TWINSTAR 460
  • Produkte
    • Druckluftgeräte
    • Akkugeräte
    • Handheftgeräte
    • Befestigungsmittel
    • Kompressoren
    • Zubehör
    • Gebrauchtgeräte
    • Ersatzteile
      • Kompressoren
        • AEROTAINER 245
        • MOUNTAINE 650
        • ORKAN 260
        • ORKAN 650
        • PIONEER 260
        • PIONEER 345
        • TWINMAX 410
        • TWINMAX 510
        • TWINSTAR 425-11
        • TWINSTAR 460
        • TWINSTAR 550
        • TWINSTAR 620-11
        • TWINSTAR 650
        • TWINSTAR 850-11
        • TWINSTAR 900
        • VIGON 120
        • VIGON 240
        • VIGON 300
        • VITAS 45
        • WARRIOR 255
        • WARRIOR 435
        • WARRIOR 460
      • Druckluftnagler
      • sonstige
  • Aktionen
  • PREBENA WELT

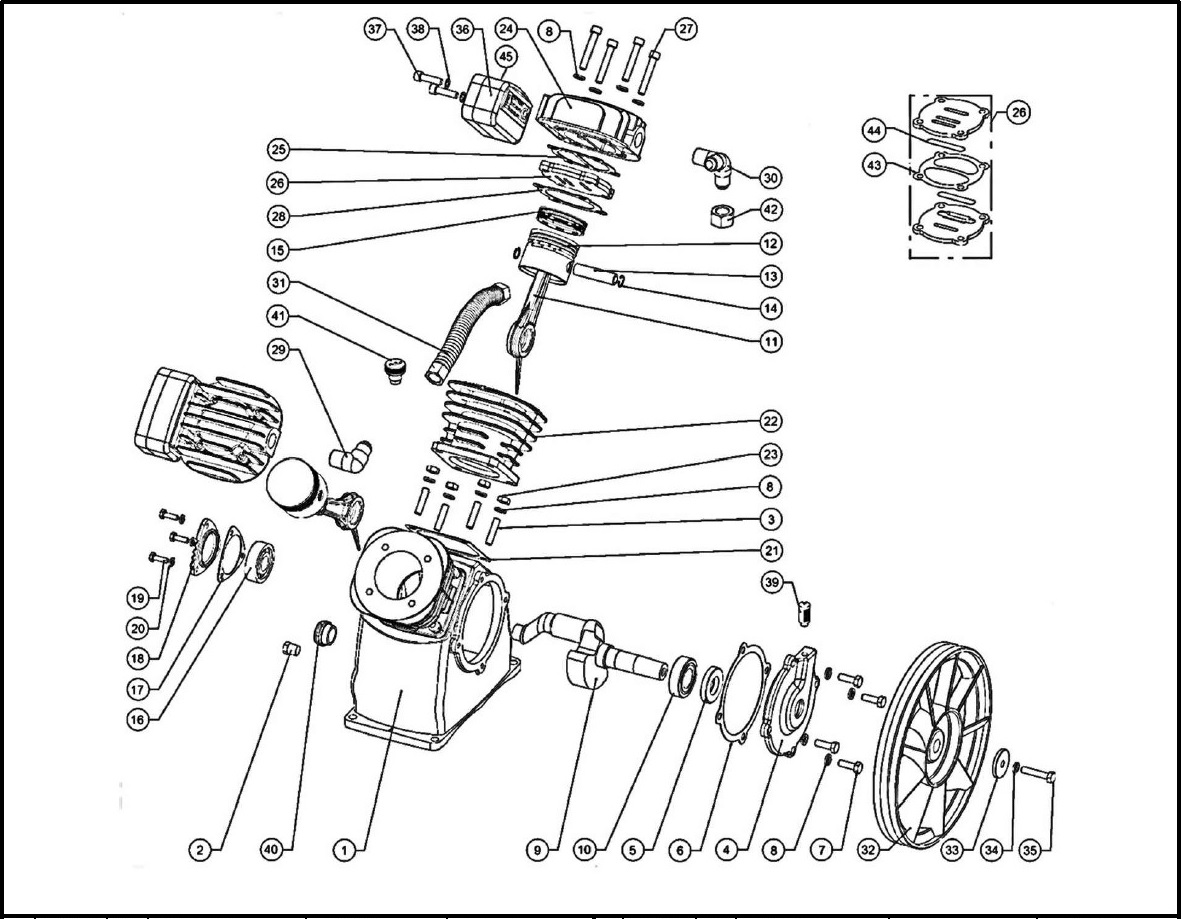
TWINSTAR 460

 

Twinstar-460-2Twinstar-460-1

 

PositionNummerBeschreibungMengeLink
 1 ET65900301 Kurbelgehäuse 1 zum Ersatzteil
2 ET65900401 Ölablassschraube 1 zum Ersatzteil
3 ET65900501 Gewindebolzen 8 zum Ersatzteil
4 ET65900601 Lagersitz 1 zum Ersatzteil
5 ET65900701 Dichtung 1 zum Ersatzteil
6 ET65900801 Dichtung 1 zum Ersatzteil
7 ET99336305 Sechskantschraube 4 zum Ersatzteil
8 ET99100502 Federring 20 zum Ersatzteil
9 ET65900901 Kurbelwelle 1 zum Ersatzteil
10 ET65901001 Kugellager 1 zum Ersatzteil
11 ET65901101 Pleuel 2 zum Ersatzteil
12 ET65901201 Kolben 2 zum Ersatzteil
13 ET65901301 Kolbenbolzen 2 zum Ersatzteil
14 ET65901401 Sicherungsring 4 zum Ersatzteil
15 ET65901501 Kolbenringe Set 2 zum Ersatzteil
16 ET67001401 Kugellager 1 zum Ersatzteil
17 ET67001501 Dichtung 1 zum Ersatzteil
18 ET67001601 Lagerdeckel 1 zum Ersatzteil
19 ET99336405 Schraube 3 zum Ersatzteil
20 ET99100402 Federring 3 zum Ersatzteil
21 ET65901601 Zylinderdichtung 2 zum Ersatzteil
22 ET65901701 Zylinder 2 zum Ersatzteil
23 ET99200601 Mutter 8 zum Ersatzteil
24 ET65901801 Zylinderkopf 2 zum Ersatzteil
25 ET65901901 Zylinderkopfdichtung 2 zum Ersatzteil
26 ET65902001 Ventilplatte Set 2 zum Ersatzteil
27 ET99309902 Schraube 8 zum Ersatzteil
28 ET65902101 Zylinderdichtung 2 zum Ersatzteil
29 ET65902201 Winkel 1 zum Ersatzteil
30 ET65902301 Verbindungsstück 1 zum Ersatzteil
31 ET65902401 Kühler Set 1 zum Ersatzteil
32 ET65902501 Antriebsscheibe 1 zum Ersatzteil
34 ET99100502 Federring 1 zum Ersatzteil
35 ET99336605 Schraube 1 zum Ersatzteil
36 ET65902601 Luftfilter 2 zum Ersatzteil
37 ET99309505 Schraube 4 zum Ersatzteil
38 ET65902701 Dichtung 4 zum Ersatzteil
39 ET65902801 Entlüftungsventil 1 zum Ersatzteil
40 ET67003301 Ölstandglas 1 zum Ersatzteil
41 ET67003201 Öl-Pfropfen 1 zum Ersatzteil
43 ET65902501 Antriebsscheibe 2 zum Ersatzteil
44 ET65905001 Luftfiltereinsatz 2 zum Ersatzteil
45 ET65903101 Ventilklappe 2 zum Ersatzteil
55 ET65500101 Kolbenblock 1 zum Ersatzteil
56 ET65903501 Bolzen 4 zum Ersatzteil
58 ET65500201 Luftleitung 1 zum Ersatzteil
59 ET65500301 Drucktank 1 zum Ersatzteil
60 ET347062000 Rückschlagventil 1 zum Ersatzteil
61 ET65500401 Rad 2 zum Ersatzteil
62 ET65500501 Achse 2 zum Ersatzteil
63 ET67101601 Hahn 1 zum Ersatzteil
64 ET65700701 Anschlussstück 1 zum Ersatzteil
68 ET65500701 Rad 2 zum Ersatzteil
69 ET65500801 Griff 1 zum Ersatzteil
70 ET67101201 Sicherheitsventil 1 zum Ersatzteil
71 ET65500901 Verbindungsstück 1 zum Ersatzteil
72 ET65501001 Adapter 1 zum Ersatzteil
73 ET01001001 Manometer 1 zum Ersatzteil
74 ET65501101 Blindverschluss 1 zum Ersatzteil
75 ET01000901 Druckschalter 1 zum Ersatzteil
76 ET01000801 Adapter 1 zum Ersatzteil
77 ET65903601 Filter 1 zum Ersatzteil
78 ET322045000 Kupplung 1 zum Ersatzteil
79 ET65501201 Elektr. Leitung 1 zum Ersatzteil
80 ET65501301 Elektr. Leitung 1 zum Ersatzteil
81 ET01001401 Rohr Rilsan 1 zum Ersatzteil
82 ET65501401 Plattform 1 zum Ersatzteil
85 ET65501501 Elektromotor 1 zum Ersatzteil
86 ET65501601 Haltering 1 zum Ersatzteil
87 ET65501701 Antriebsscheibe 1 zum Ersatzteil
88 ET65501801 Riemen 1 zum Ersatzteil
90 ET65903701 Bolzen 1 zum Ersatzteil
91 ET65903801 Bolzen 4 zum Ersatzteil
92 ET65501901 Verkleidung 1 zum Ersatzteil
93 ET67102901 Abstandshalter 1 zum Ersatzteil
94 ET65903901 Bolzen 5 zum Ersatzteil
96 ET65502001 Verschluss 4 zum Ersatzteil
97 ET65502101 Abdeckung 1 zum Ersatzteil
101 ET65502201 Blindverschluss 1 zum Ersatzteil
102 ET65904001 Bolzen 2 zum Ersatzteil
Service-Hotline
prebena-logo
phone +49 6044 / 9601999
mail [email protected]
clock Mo - Do: 09:00 - 15:00 Uhr,
Fr: 09:00 - 12:00 Uhr
Partner
Service Shop
  • Zahlungsmethoden
  • Bonuspunkte
  • Versandinformationen
  • Rücksendeformular
  • Lob & Kritik
  • Kontaktformular
Informationen
  • Newsletter
  • Gebrauchtgerätewecker
  • Prebena.de
  • Barrierefreiheitserklärung
  • Widerrufsrecht
  • Datenschutzerklärung
  • AGB
  • Impressum
Zahlungsarten
PayPal IDEAL Kreditkarte Apple Pay Klarna - sofort oder später Rechnung
Versandarten

* Alle Preise inkl. gesetzl. Mehrwertsteuer zzgl. Versandkosten und ggf. Nachnahmegebühren, wenn nicht anders angegeben. *BLACK WEEK Ausgeschlossen sind die Produkte aus den Kategorien: "Aktionen", "Prebena Welt", "PKT" und "Gebrauchtgeräte". Diese Aktion ist nur von Montag 24.11.2025 00:00 Uhr bis Montag 01.12.2025 23:59 Uhr gültig. Sollten Sie hierzu Fragen oder Probleme haben, steht Ihnen unser Support-Team jederzeit gerne zur Verfügung.

Copyright © PREBENA Vertriebs GmbH
YouTube Instagram Facebook Folge uns doch!
Diese Website verwendet Cookies, um eine bestmögliche Erfahrung bieten zu können. Mehr Informationen ...
Anfrage erfolgreich abgeschickt
Anfrage konnte nicht abgeschickt werden da ein Problem aufgetreten ist. Bitte versuchen Sie es erneut.