-
Produkte
- Druckluftgeräte
- Akkugeräte
- Handheftgeräte
- Befestigungsmittel
- Kompressoren
- Zubehör
- Gebrauchtgeräte
-
Ersatzteile
- Kompressoren
-
Druckluftnagler
- 1A-AZ16BNH
- 1A-AZ25BNH
- 1GP-A16
- 1GP-A16SDS
- 1GP-A25
- 1GP-A16LN50
- 1GP-A16NH
- 1GP-D16
- 1GP-ALK35
- 1GP-TK16
- 1GP-V16
- 1GP-XA16
- 1M-O25SDS-S10
- 1X-A16AUT
- 1X-A16LM-AUT
- 1XR-A16
- 2F-JA45
- 2M-GA32SDS
- 2P-ES40SDS
- 2P-H30SD
- 2P-J/ES40COMBI
- 2P-J50SDS
- 2P-J50SVN
- 2P-J50STVN
- 2XR-ES40
- 2XR-J50
- 3C-N65-S
- 3GP-CNH50
- 3GP-E40
- 3GP-H40
- 3GP-L40
- 3GP-N65
- 3GP-Z40
- 3X-CNW50
- 4C-L50
- 4C-L50AUT
- 4C-WS38
- 4C-WS50
- 4C-WZ38BNH
- 4C-Z50
- 4C-Z50AUT
- 4S-DA63
- 4X-CNZ45
- 5C-Q67
- 5C-WN15SNS
- 5C-Z75
- 5F-CNF57
- 5S-CNWS65
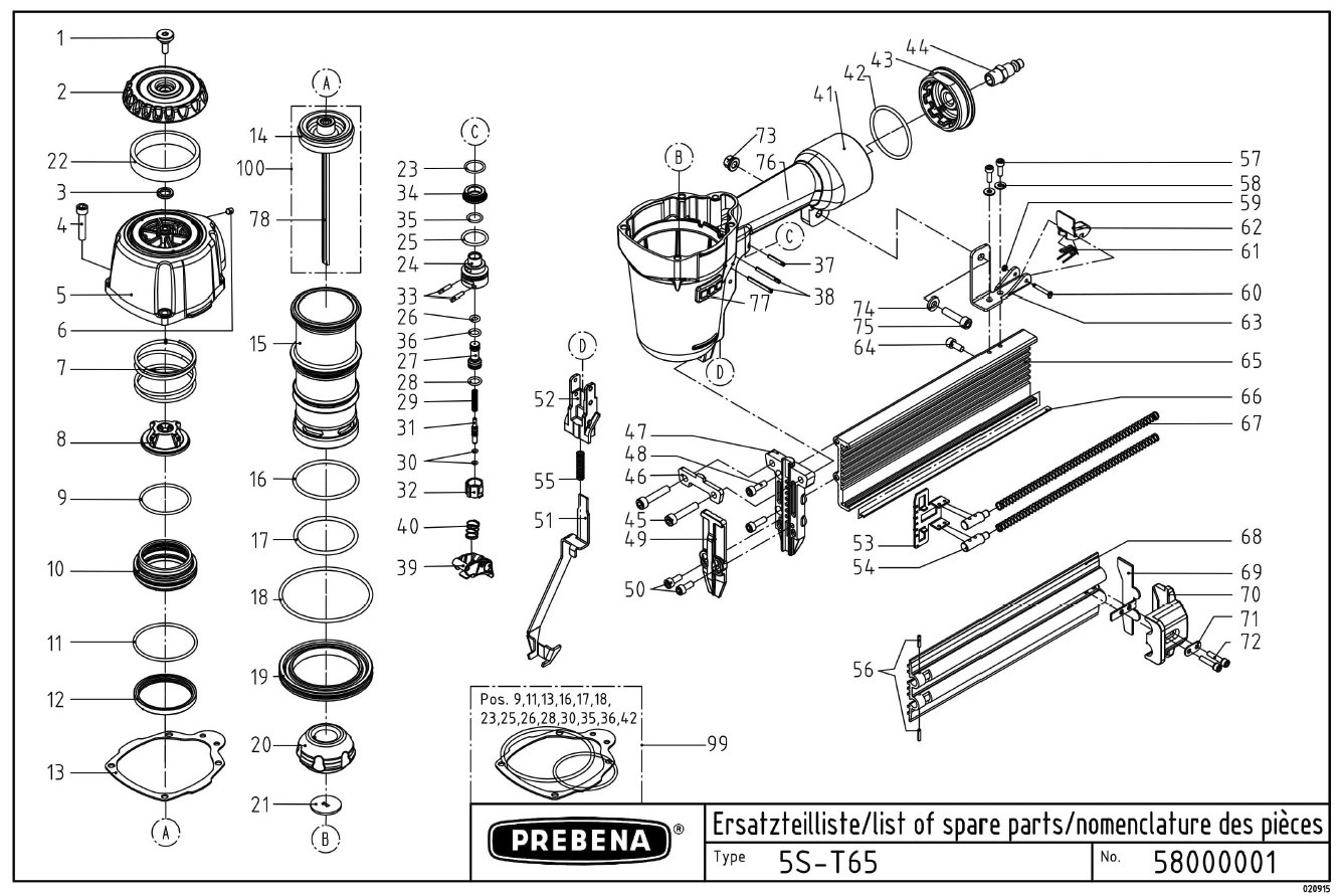
- 5S-T65
- 6F-CNW70
- 6F-WN25SNS
- 6X-PR90
- 7F-CNW90
- 7XR-RK90
- 8F-RK100
- 8XR-CNW90
- 9F-CNW100EPAL
- 9X-WP130
- 9X-WP160
- 10X-RK130
- 10X-RK160
- PKT-2-ES40-S
- PKT-2-J50SD-S
- PKT-7-RK90-S
- ST2-ANK50
- ST2-ANK60
- KTVH-B19D
- KTVH-B19H
- KTVH-B22D
- KTVH-R19D
- KTVH-R19H
- sonstige
- Aktionen
- PREBENA WELT
5S-T65
|
